Pikavaihtopitimien runko - Tyyppi A

Hinnat alkaen 296,80 €

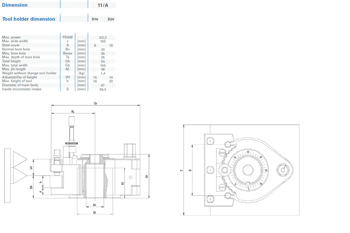
Multifix yhteensopiva pikavaihtopitimien runko sorveihin
Käyttöteholle 2 kW
Teränpidin vaihtoehdot 16/20
Valmistusmaa Saksa

Tällä tuotteella ei ole suodattimia.

Nimike Koodi
Nimike: Pikavaihtopidin Runko MA Koodi: MA00 Varastossa: Ladataan Hinta: 424,00 € Alennus: 30 % Alennushinta: 296,80 € Lisää ostoskoriin

Pikavaihtopitimien runko - Tyyppi A

Hinta (Alv 0%) 424,00 €
Alennus 30 %
296,80 €

Tuote lisätty ostoskoriin!